Leírás
Techinkai adatok
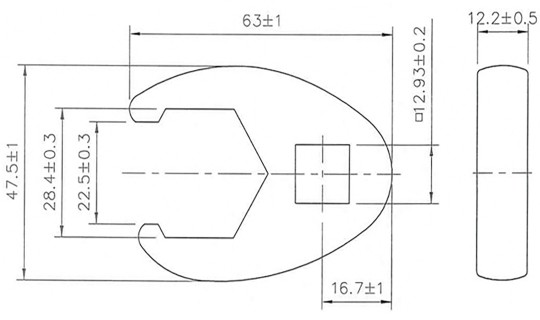
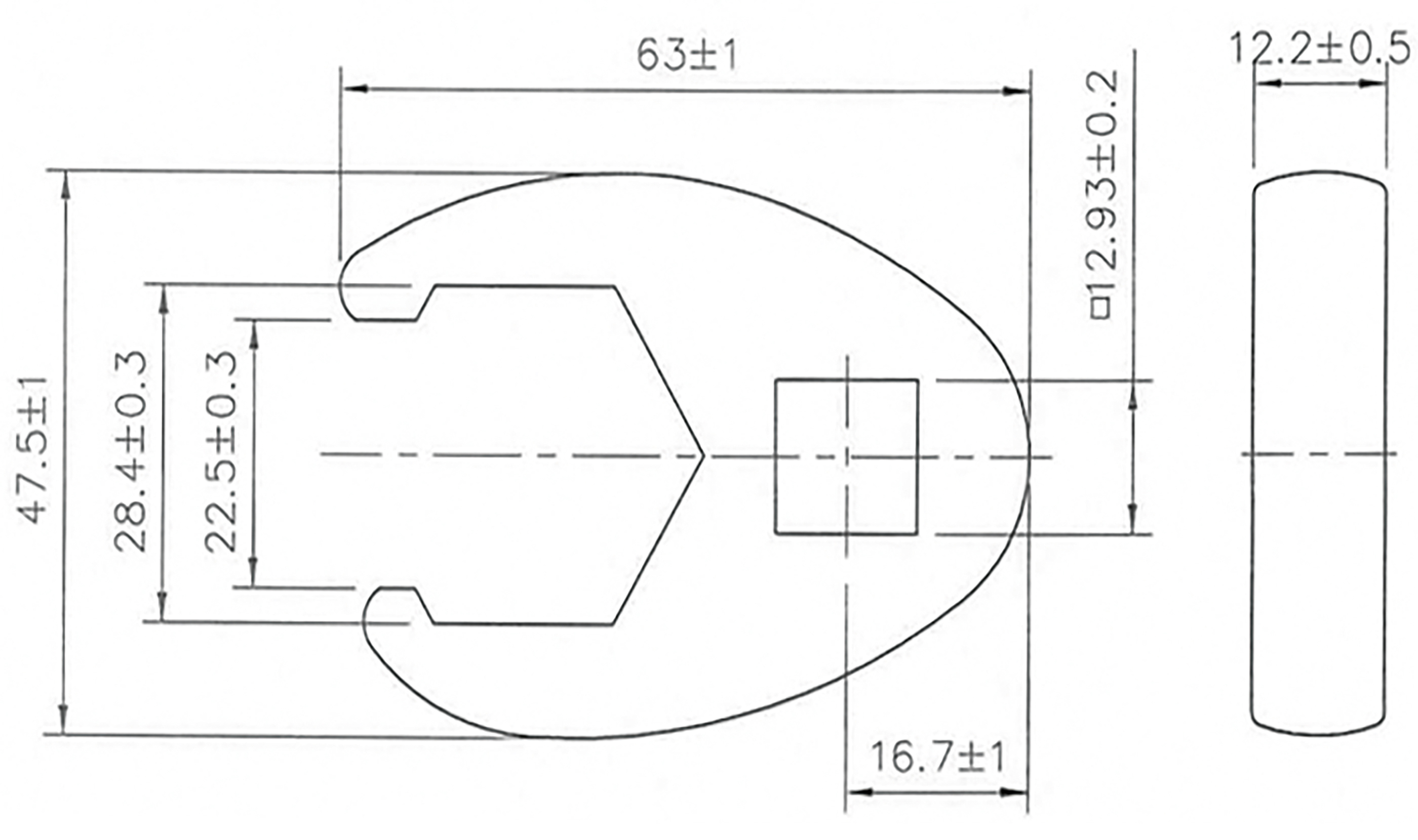
Meghajtott profil: Hatszögletű elem Meghajtó profil: Belső négyszögletű kulcsnyílású elem Meghajtó profil mérete, hüvelykmérték: 1/2 " Meghajtó profil mérete, metrikus: 12,5 mm Bruttó súly: 144 g Anyag: Króm-molibdén acél Felületjavítás: Krómozott, matt Kulcsméret: 28 mm Falikárpithoz alkalmas csomagolás: Igen














